引言
鈦合金是20世紀50年代發展出來的一種重要結構金屬材料,具有耐高溫、耐腐蝕、比強度高等特點,目前其零件產品已廣泛應用于醫療、海洋和航空航天等領域[1]。目前鈦合金的分類普遍按照亞穩態下的相組織和β穩定元素含量進行劃分,有α型、α+β型、β型三大類,進一步可細分為近α型與亞穩態β型鈦合金。不同的相組織含量對鈦合金的性能有極大的影響,α型鈦合金主要組織為α相,其單相合金具有優異的耐高溫性,其中典型的有TA7(Ti-5Al-2.5Sn)合金,是國內最早開發的鈦合金之一;α+β型鈦合金主要組織既有α相,又存在β相,兼具兩相特性,具有優良的綜合性能,其中TC4(Ti-6Al-4V)合金是目前應用最多、技術最為成熟的雙相合金;β型鈦合金主要組織為β相,具有較高的強度和優秀的熱處理性,代表型號TB6(Ti-10V-2Fe-3Al)合金廣泛應用于波音系列結構件中。
隨著鈦合金市場的增加,鈦合金加工也要追求高效、穩定,但由于鈦合金本身高強度、熱導率低的特點,切削過程中與刀具接觸后摩擦劇烈,產生的熱量會聚集于接觸部位,致使切削區局部升溫[2],進而引發絕熱剪切,在切削過程中出現突發性失效。在材料的切削過程中,切削力和切屑形態是觀察切削特性較為直觀的因素,也是反映絕熱剪切現象的重要途徑。絕熱剪切是指材料在切削過程中因摩擦產生的溫度升高使材料出現熱軟化效應優于加工硬化效應時,應力-應變曲線斜率變為負值,材料在切削過程中強度降低。絕熱剪切變形一般發生均勻塑性、非均勻塑性和塑性失穩變形,當絕熱剪切失穩時,會使切削過程發生剪切失效,對加工表面產生極大影響[3]。
國內外學者對絕熱剪切的研究做了大量工作。SHASHIKANT等[4]人采用正交切削實驗研究了三種不同金相組織(α相、β相、α+β相)的鈦合金切削過程中β相含量對切屑的影響。針對切削速度為73 m/min的合金切屑發現:隨著合金β相的增多,切屑的裂紋增加,形狀由規則梯形變為不規則梯形,切裂縫之間的夾角逐漸變?。浑S著切削速度的提高,切削過程中材料的強度先增加后減小,造成這種現象的一部分原因是切削過程中的熱軟化效應抵消了高應變速率引起的材料塑性降低,且隨著β相增多,切屑中裂紋出現的頻率對切削速度更加敏感。朱雨恩[5]通過對退火后TC4鈦合金棒材進行切削實驗,研究了剪切帶內組織和影響其形成的切削條件。結果發現:TC4鈦合金在切削過程中,剪切帶內組織在應變與熱積累的共同作用下發生了變化,而鋸齒形切屑的形成正是由于熱塑性失穩造成的。
本文采用直角切削模型,旨在研究α相鈦合金、β相鈦合金、α+β相鈦合金在切削過程中切削力的變化,主要從切削速度和金相組織兩個方面對切削力的影響進行分析并研究其機理;將三種鈦合金工件切削后形成的切屑收集處理,進行金相組織的觀察,分析不同切削速度下切屑形態的變化規律,并針對切屑形態綜合分析絕熱剪切對鈦合金材料切削過程的影響。
1、實驗設計
1.1 實驗工件及刀具
對應三種金相組織選用TA7、TB6、TC4鈦合金,三種鈦合金物理特性如表1所示。
表1 三種鈦合金物理特性對比
Tab.1 Comparison of physical properties of three kinds of titanium alloys

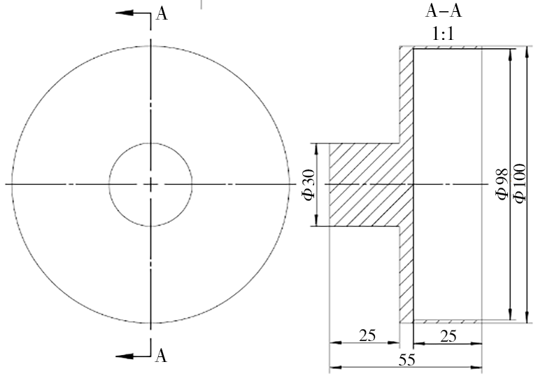
采用直角切削模型,是指主切削刃與切削方向成90°的切削方式,切削過程中切削寬度與切削厚度相差達十倍以上時,切削力可以視作分解在軸向與切向兩個方向。將廠家直購的三種牌號鈦合金棒材加工為平均直徑為100 mm、壁厚為1 mm的薄壁空心圓筒狀工件,試驗所用工件如圖1所示。

圖1 切削試樣圖紙
Fig.1 Drawing of cut sample
直角切削模型中刀具選擇刃傾角為0°,考慮到鈦合金高硬度、高耐磨性的特點,選擇如圖2所示硬質合金數控車刀,為避免刀具磨損影響測試結果,需要在每組切削實驗完成后更換刀具的主切削刃,使刀具在切削過程中對工件保持良好的加工性。

圖2 試驗所用刀具
Fig.2 Tools used in the experiments
1.2 切削機床及數據采集設備
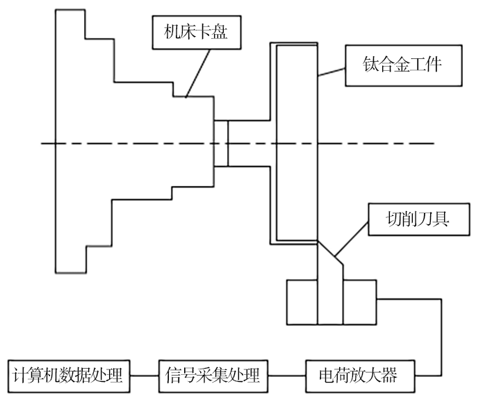
切削所用機床為CK6125A車床,切削力測量采用KISTLER 9027C三向石英壓電測力傳感器,為使傳感器能夠實時有效的采集切削力數據,針對實驗切削環境設計了三向測力刀架,將傳感器與刀具固定在車床工作臺上。外部信號傳輸設備采用配套的電荷放大器、適配器和信號采集處理分析儀,傳感器信號最終由計算機中東方所DASP軟件作數據處理。切削力實驗過程和測量原理如圖3、圖4所示。

圖3 試驗過程
Fig.3 Experiments process

圖4 試驗測量原理
Fig.4 Measurement principle of experiments
1.3 實驗設計及結果
試驗采用正交切削試驗:刀具刃傾角為0°時,刀具前刀面與材料切削面平行,在一定程度上減少切削力的徑向分解,切削時切削力主要集中在工件軸向方向和工件切向方向,徑向切削力幾乎為零,如圖5所示,因此大大簡化了切削模型,因此實驗設計為切削寬度1 mm、厚度為0.1 mm,兩者相差十倍以上時,近似視作直角切削[6]。

圖5 切削力分解示意圖
Fig.5 Schematic diagram of cutting force decomposition
實驗工件均加工為薄壁圓筒狀,切削過程取切削速度為唯一變量,六組切削速度分別為:30、40、50、60、70 和80 m/min,三種鈦合金工件切削后得到18組切削結果。
在切削試驗中,三向測力傳感器得到了三組數據,通過Origin軟件對試驗得到的原始切削力數據進行初步處理,得到如圖6所示變化曲線,三條曲線分別表示軸向切削力Fx、徑向切削力Fy和切向切削力Fz的變化情況,去除零點漂移后,可以看出切削力主要有軸向切削力Fx和切向切削力Fz,徑向切削力Fy從始至終都保持穩定且靠近零點,對整個切削過程沒有影響,因此在分析切削力與速度關系時只取軸向切削力Fx和切向切削力Fz進行分析。圖中所示曲線在刀具剛開始接觸工件時發生劇烈的上升在刀具與工件分離時陡然下降,考慮到刀具與工件之間接觸不穩定和傳感器零點漂移問題,截取了所有實驗所得曲線圖中穩定階段的切削力數據,以此為基礎計算各個材料不同速度下的平均切削力。

圖6 原始數據曲線圖
Fig.6 Raw data graph
通過對原始數據的處理,計算得到三種合金材料不同切削速度下的平均切削力如表2所示。
表2 實驗平均切削力數據
Tab.2 The average data of experiments cutting force

2、結果分析及結論
2.1 切削力與切削速度分析
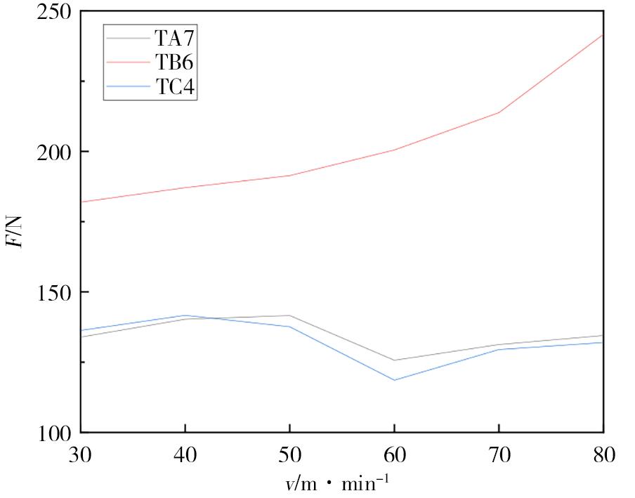
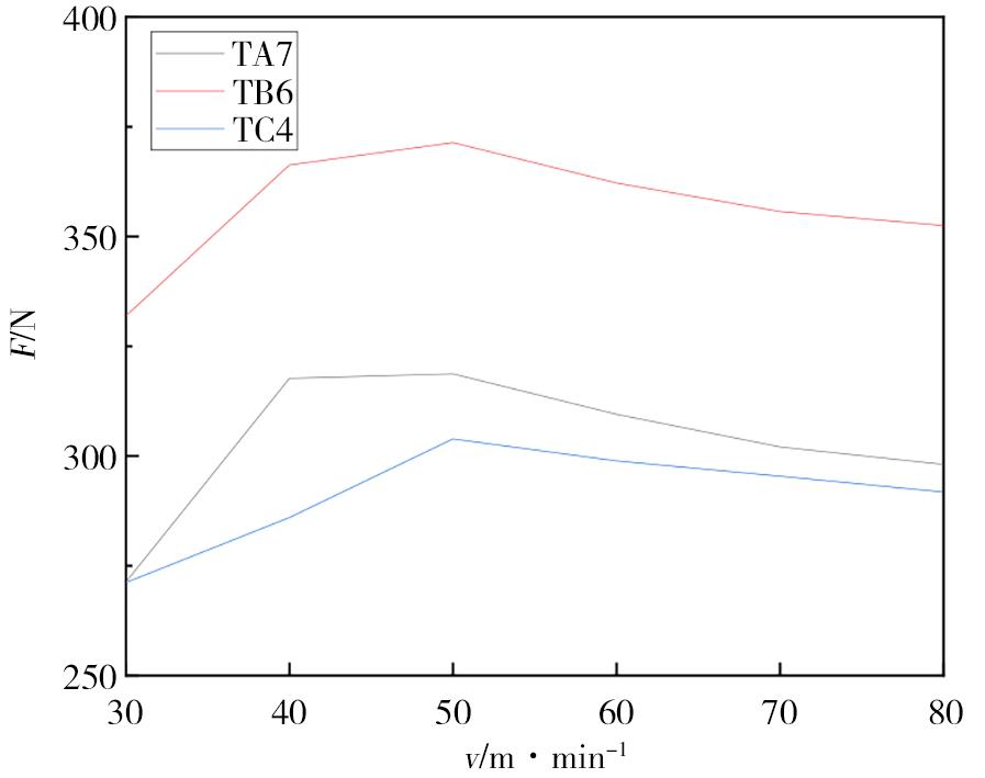
根據表2數據分別繪制軸向切削力Fx與切削速度v和切向切削力Fz與切削速度v之間的變化曲線,如圖7、圖8所示。

圖 7 軸向切削力-切削速度變化
Fig.7 The variation between axial cutting force and cutting speed

圖 8 切向切削力-切削速度變化
Fig.8 The variation between tangential cutting force and cutting speed
對兩組切削力曲線進行比較,可以看出在相同的切削參數下,除TB6鈦合金的軸向切削力外,其他的切削力數據隨切削速度的變化基本相同,當切削速度未達到50 m/min時,三種鈦合金材料的切削力與切削速度成正相關,當速度超過50 m/min后,三種鈦合金材料的切削力隨切削速度增加而降低。在30~80 m/min的切削速度區間內,三種鈦合金的切削力都沒有發生突變,說明切削過程中絕熱剪切變形一直處于均勻塑性變形階段。已有研究表明:(1)在低速切削區切削加工材料主要發生高應變率的形變硬化;(2)隨著切削速度增加,切削區域大部分變形功轉變為熱量導致溫度升高,產生熱軟化效應。切削速度在30~50 m/min時,鈦合金材料發生形變累積,切削力不斷增大。切削速度在50~80 m/min時,切削過程產生的熱軟化效應降低了加工產生的硬化,在較高的切削速度下,這種熱軟化效應帶來的強度下降大于加工硬化導致的強度增加時,材料的切削力降低。因此鈦合金切削過程中絕熱剪切現象是在切削速度為50 m/min時開始發生變化的。
2.2 切削力與金相組織分析
對比切削力數據曲線發現:同一切削速度下,TA7鈦合金(α鈦合金)所受的切削力與TC4鈦合金(α+β鈦合金)所受的切削力基本一致,但TB6鈦合金(β鈦合金)所受的切削力明顯高于其他兩種合金,提升了近21%。這說明在切削加工中β鈦合金的切削難度比α鈦合金和α+β鈦合金更高。這是由于α相鈦合金的內部組織為密排六方晶體,含有多個滑移系,所以α相鈦合金的工藝塑性更好;β相鈦合金內部組織為體心立方晶格,有較大的排列缺陷能,滑移不明顯,且塑性變形不均勻;α+β鈦合金的塑性與α相和β相的強度差值有關,相的強度差值越大,塑性越低[7]。所以可以得出結論:鈦合金切削過程中,切削力隨β相的含量增加而增大。
3、不同金相組織切屑分析
3.1 切削過程產生的切屑
切屑是機械分離的材料微粒,是判斷切削過程的特征之一,其影響因素是切削刃部分的幾何形狀、材料的形變能力、切屑量和切削速度。根據切屑形成的類型,可將切屑劃分為帶狀切屑、短螺旋切屑和碎裂切屑,其中短螺旋切屑是一種連續且具有劇烈鋸齒狀表面的切屑[8]。對切屑的形態進行研究可以有效反映出切削過程中剪切帶的變化,也是對工件表面質量的直觀反映。
3.2 金相試樣的制備
收集試驗中各個切削條件下的切屑,選取其中切屑厚度穩定且平整的切屑段制備金相試樣,觀察的切屑應該具有較為完整的齒廓。采用有機物熱鑲嵌的方法,鑲嵌機金相模型直徑為22 mm,切屑放置時鋸齒橫截面平行于模具底面,填充高度約為15 mm的膠木粉。對制備好的試樣依次采用不同粒徑的水砂紙研磨,最后進行機械拋光。
3.3 切屑圖譜分析
通過金相顯微鏡將切屑形態放大,并使用配套的攝像機進行拍照取景,采用ImageView軟件測量鋸齒尺寸切屑的金相圖如表3所示。


從表3對比得到,TA7鈦合金在切削速度增加的過程中產生的切屑從低速時的帶狀切屑逐漸轉變為高速時的短螺旋切屑,其中30~40 m/min的切削速度為中間的過渡區間。TB6鈦合金在切削速度未達到40 m/min的低速切削時切屑呈帶狀,隨著切削速度增加至50 m/min開始出現連續且鋸齒明顯的短螺旋切屑,隨著切削速度的不斷增加,鋸齒化不斷加劇,在切削速度為80 m/min時呈碎裂切屑。TC4鈦合金在切削速度未達到40 m/min時沒有明顯的鋸齒狀產生,切屑呈帶狀,切削速度在達到50 m/min才有明顯的鋸齒狀切屑產生,且隨切削速度的增加,鋸齒化程度較其他兩種合金明顯降低。從以上可以得出結論:TA7、TB6、TC4鈦合金在實驗所在的切削環境下,β相鈦合金產生短螺旋切屑所需的切削速度高于其他兩種合金。結合金相組織與切削力關系可以看出,合金切削過程需要的切削力越大,切屑鋸齒化的切削速度就會越高。
切屑的鋸齒化程度代表著切屑的變化程度,其定義如下[9]:

式中,H為齒頂高度,h為齒根高度。從圖9可以看出齒頂與齒根距離差越大,材料變形越多,鋸齒化程度越高。

圖 9 鋸齒尺寸測量
Fig.9 Sawtooth dimension measurement
根據式(1)對試驗后的切屑進行鋸齒化程度計算,并繪制如圖10所示的Gs-v曲線。

圖 10 不同切削速度下切屑鋸齒化程度
Fig.10 The chip serration degree at different cutting speeds
根據圖10可以看出,隨切削速度不斷提高,三種鈦合金材料的鋸齒化程度都在不斷升高,在切削速度為30 m/min時,鋸齒化程度在0.10~0.15,鋸齒高度不明顯,在切削速度為40 m/min時,鋸齒化程度達到0.2左右,切屑整體呈帶狀,在剪切區開始出現不連續的齒狀輪廓,當切削速度達到50 m/min時,三種鈦合金的鋸齒輪廓變得連續、均勻,在后續隨著切削速度的增加,切屑的鋸齒化程度呈線性增長,在齒距基本不變的同時,鋸齒成形也逐步清晰,說明合金發生的塑性變形劇烈。結合切削速度與切削力的關系可以看出,在高速切削時切削力反而下降,說明在高速切削時產生的短螺旋切屑鋸齒化程度與絕熱剪切效應有關,由于切削過程產生的熱量增多,鈦合金的低熱導率使切削部分升溫,合金材料發生熱軟化甚至導致失效。
4、結論
(1)針對三種鈦合金材料切削實驗分析切削速度與切削力關系發現:切削力隨切削速度的增加呈現先升后降的變化規律,切削力在切削速度為50 m/min時達到最高,之后切削力開始隨著切削速度的增加而下降;在相同切削速度下,TB6鈦合金的切削力是三種鈦合金中最高的,并比TA7、TC4合金高21%左右,這說明β相鈦合金的切削難度比α相鈦合金和α+β相鈦合金大,因此鈦合金中β相含量高會使切削力變大。
(2)分析不同金相組織的鈦合金切削速度對鋸齒形切屑產生的影響,β相鈦合金產生短螺旋切屑所需的切削速度高于其他兩種合金;在試驗所處條件下,隨著切削速度的提高,帶狀切屑逐步變為短螺旋切屑且切屑的鋸齒化程度始終穩步增加,鋸齒輪廓逐漸清晰,同時三種不同鈦合金切屑形態有較大差別。
(3)對三種鈦合金絕熱剪切現象宏觀方面的特征分析:在進給量ap=0.1 mm、刀具前角γ0=0°的切削條件下,三種鈦合金在切削速度低于50 m/min時,切削力隨切削速度增加而增加,切屑呈帶狀,主要由于材料發生了塑性變形,內部產生高應變,應力積累,以加工硬化效應為主;切削速度高于50 m/min時,切削力隨切削速度的增加有不同程度的下降,切屑呈鋸齒狀,主要由于高速切削和局部的高應變產生了大量熱量,材料發生熱軟化效應,降低了材料性能,進而使切削力降低。說明切削過程中的剪切絕熱現象在切削速度為50 m/min時產生變化,切削力達到最大,在鈦合金的切削生產中應使切削速度盡量避開50 m/min,延長刀具壽命。
參考文獻
[1]李興泉. 航空鈦合金結構件高效銑削工藝研究[D].沈陽:東北大學,2010.
LI X Q. Research on high-efficiency milling technology of aviation titanium alloy structural parts[D]. Shenyang: Northeastern University,2010
[2]鄭文虎,張明杰.鈦合金的切削加工經驗[J].金屬加工(冷加工),2017(16):50-52.
ZHENG W H, ZHANG M J. Cutting experience of titanium alloy[J]. Metalworking (Cold Working), 2017(16): 50-52
[3]楊揚,程信林.絕熱剪切的研究現狀及發展趨勢[J].中國有色金屬學報,2002,12(3):401-408.
YANG Y, CHENG X L. Research status and development trend of adiabatic shearing[J]. The Chinese Journal of Nonferrous Metals,2002,12(3):401-408.
[4]SHASHIKAN. Effect of β phase fraction in Titanium alloys on chip segmentation in their orthogonal machining[J]. Chirp Journal of Manufacturing Science & Technology,2014,7(3):191-201.
[5]朱雨恩,萬珍平,魏興釗.鈦合金切削時鋸齒形切屑形成的材料組織變化研究[J].機械科學與技術,2011,30(5):838-843.
ZHU Y E, WAN Z P, WEI X Z. Research on the change of material structure of sawtooth chips formed in titanium alloy cutting[J]. Mechanical Science and Technology, 2011,30(5):838-843.
[6]張少實. 新編材料力學[M].北京:機械工業出版社,2010.
ZHANG S S. New Edition of Material Mechanics[M]. Beijing:Machinery Industry Press,2010.
[7]魏海榮.第五章, 鈦及鈦合金的塑性變形[J].稀有金屬合金加工,1978(4):40-66.
WEI H R. Chapter 5, Plastic deformation of titanium and titanium alloys[J]. Rare Metal Materials and Engineering,1978(4):40-66.
[8]奧利菲 ·博爾克納. 機械切削加工技術[M].楊祖群譯.湖南:湖南科學技術出版社,2014.
BOLKNER O. Mechanical Cutting Technology [M].Yang Z W, translated.Hunan:Hunan Science and Technology Press,2014.
[9]ABELE E, SAHM A, SCHULZ H. Wear mechanism when machining compacted graphite iron[J]. CIRP Annals,2002,51(1):53-56.
無相關信息

bg-zr.com
寶鋯金屬手機網